Гидронасос P-106A (P2C2110C5B26A) /А861-10-0015/5548904 на погрузчик Stalowa Wola L-34
Скидки
При покупке от 100000 руб скидка 5 %
Код_купона_5
Методы оплаты:
Описание
Гидронасос P-106 погрузчика L-34 Stalowa Wola: основные характеристики
Когда необходимо купить в украине насос P-106, нужно знать некоторые его особенности, характеристики и область применения. Сам насос P-106 предлагает компания . У ее специалистов Вы можете купить новый гидронасос P-106. Также в компании есть возможность приобрести как насос P-106 после реставрации, так и новый насос P-106, а также заказать услугу ремонта неисправного насоса клиента. Следует отметить, что компанией гидронасосы P-106 высылаются на всю территорию России без предоплаты; также работает с НДС.
Функциями гидронасоса P-106, что нужно знать всем, кому есть необходимость приобрести новый гидронасос P-106, – является создание нужного давления минерального масла или же других нефтепродуктов. Все эти процессы происходят в гидравлической системе погрузчика марки Stalowa Wola L-34. Погрузчики L-34 известной польской компании Stalowa wola, зарекомендовали себя как надежные и добротные агрегаты. Погрузчики можно отнести к фронтальному типу, кроме того, они оснащены колесами и отличаются надежностью и удобством. Таких машин тысячи по всему миру, и, вместе с тем, они исправно трудятся и . Поэтому для многих их владельцев в нашей стране важно купить гидронасос P-106, а также знать насос P-106 цена. В данной машине основным рабочим органом является ббольшой ковш. Его вместимость — 3,5 кубометра, и он необходим для погрузки и разгрузки щебенки, грунта, сыпучих материалов, и многого другого. Кроме того, эти машины используют для буксирования и копания мягкой почвы.
Насос P-106: характеристики
Элементы, из которых состоит насос P-106, а также его корпус – выполнены из прочных сплавов высокого качества. Добавим, что, если купить насос P-106, то владелец техники убедится, что цена насос P-106 будет доступной, а сам агрегат будет иметь в своем составе уплотнители, в изготовлении которых использовались: разные полимеры и маслостойкая резина. Цена гидронасос P-106 будет соответствовать качеству изделия и тем функциям, которые оно выполняет. Например, картридж или же сетчатый фильтр, которым обладает гидронасос P-106, осуществляет функции очистки масла и отсеивания чужеродных частиц. Это очень важно, поскольку такие частицы могут повредить внутренние компоненты насоса и привести к поломке.
Гидравлический насос P-106 — это, можно сказать, основа системы. Поэтому необходимо знать, что ремонт насос P-106 всегда осуществит компания , в которой также можно узнать гидронасос P-106 цена.
Агрегат активно применяется в разных промышленных сферах. Преимущество изделия также состоит в том, что для его технического обслуживания нет необходимости в специальных инструментах. И если следовать всем условиям эксплуатации насоса, то агрегат прослужит долгий срок без проблем и поломок.
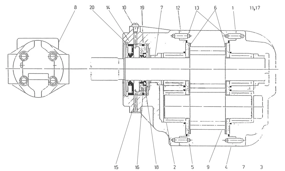
Сборочная схема насоса Р-106А
| № | Название |
| 1 | Корпус (центральный) гидронасоса P-106 ( погрузчика L-34 ) |
| 2 | Корпус передачи гидронасоса P-106 ( погрузчика L-34 ) |
| 3 | Крышка гидронасоса P-106 ( погрузчика L-34 ) |
| 4 | Шестерня (ведомая) гидронасоса P-106 ( погрузчика L-34 ) |
| 5 | Пластина гидронасоса P-106 ( погрузчика L-34 ) |
| 6 | Регулир. Шайба гидронасоса P-106 ( погрузчика L-34 ) |
| 7 | Уплотнит. втулка гидронасоса P-106 ( погрузчика L-34 ) |
| 8 | Болт гидронасоса P-106 ( погрузчика L-34 ) |
| 9 | Роликоподшипник гидронасоса P-106 ( погрузчика L-34 ) |
| 10 | Винт М6х8 гидронасоса P-106 ( погрузчика L-34 ) |
| 11 | Уплотнит. кольцо гидронасоса P-106 ( погрузчика L-34 ) |
| 12 | Вальцовый штифт гидронасоса P-106 ( погрузчика L-34 ) |
| 13 | Уплотнит. кольцо гидронасоса P-106 ( погрузчика L-34 ) |
| 14 | Уплотнит. кольцо гидронасоса P-106 ( погрузчика L-34 ) |
| 15 | Уплотнит. кольцо гидронасоса P-106 ( погрузчика L-34 ) |
| 16 | Уплотнит. кольцо гидронасоса P-106 ( погрузчика L-34 ) |
| 17 | Уплотнит. кольцо гидронасоса P-106 ( погрузчика L-34 ) |
| 18 | Оправа уплотнит. колец гидронасоса P-106 ( погрузчика L-34 ) |
| 19 | Уплотнит. кольцо гидронасоса P-106 ( погрузчика L-34 ) |
| 20 | Осадочное кольцо пружинное 70W гидронасоса P-106 ( погрузчика L-34 ) |








