Ремонт насосов-дозаторов ХУ-85, ХУ-120, ХУ-145
Ремонт насосов-дозаторов ХУ-85, ХУ-120, ХУ-145. Ремонт насоса дозатора ХУ-85, Ремонт насоса дозатора ХУ-120, Ремонт насоса дозатора ХУ-145. Ремонт насосов-дозаторов ХУ-85, ХУ-120, ХУ-145 . Ремонт гидростатического рулевого управления ХУ-85, ХУ-120, ХУ-145. Ремонт гидроруля ХУ-85, ХУ-120, ХУ-145. Ремонт гидроруля ХУ-85, Ремонт гидроруля ХУ-120, Ремонт гидроруля ХУ-145
Компанией выполняется ремонт насосов дозаторов ХУ-85, ХУ-120, ХУ-145. Мы производим в мастерских с условиями завода ремонт гидроруля ХУ-85, ХУ-120, ХУ-145.
Все ремонтные процедуры и операции делаются квалифицированным и опытным персоналом. Когда ремонт рулевого управления ХУ-85, ХУ-120, ХУ-145 завершен, проводятся стендовые испытания.
Основные этапы ремонта гидроруля ХУ-85, ХУ-120, ХУ-145:
- Насос дозатор (гидроруль) ХУ-85, ХУ-120, ХУ-145 разбирается.
- Детали гидроруля чистятся и промываюся, чтобы выявить степень износа различных запчастей и установить характер неисправностей.
- Ремонтируется или меняется золотник.
- Заменяются: сальник, кольца и подшипник.
- Золотник насос дозатора притирают к корпусу.
- Гидроруль собирают.
- Испытывают агрегат на стенде.
- Производят покраску.
Так происходит стандартный ремонт рулевого управления ХУ-85, ХУ-120, ХУ-145. Капитальный ремонт может включать в себя замену распределительной шайбы, вала и золотника.
Таблица технических характеристик Насоса-дозатор (гидроруля) ХУ-85
Насос дозатор ХУ-85, Насос-дозатор ХУ-85-0/1, Насос-дозатор ХУ-85-10/1 | |
| Применяемость | Т-16, Т-25,Т-40, КСК-100, Нива, ДЗ-143, ДЗ-98, Львовский погрузчик |
| Варианты исполнения | Насос дозатор в оригинальном корпусе, Насос дозатор на 100 см3 + стакан переходной |
| Рабочий объем, куб. см | 84 |
| Номинальный расход, л/м | 9 |
| Максимальное давление в гидроруле, МПа | 15 |
| Предельное давление предохранительного клапана, МПа | 10 |
| Предельное давление противоударного клапана, МПа | 20 |
| Максимальное давление на линии Т-Р, МПа | 0,2 |
| Длина,мм | 137 |
| Масса кг | 6,4 |
| Аналоги | насос дозатор (гидроруль) НД-80К (производство — Россия), насос дозатор (гидроруль) МРГ-125 (производство — Украина), насос-дозатор НДМ-80У250 (производство — Россия). |
Схема подключения насоса-дозатора ХУ-85
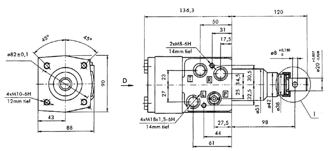
Габаритно-присоеденительные размеры насоса-дозатора ХУ-85
Насос-дозатор (гидроруль) ХУ-85 схема, запчасти, комплектующие. Сборочный чертеж насоса-дозатора ХУ-85
1 — болт; 2 — крышка (в сборе); 3 — плита; 4 — статор; 5 — плита опорная; 6 — пробка; 7 — седло предохранительного клапана; 8 — О-кольцо; 9 — пружина; 10 — салазки клапанные; 11 — ролик игольчатый; 12 — шарик; 13 — корпус; 14 — штифт приводной; 15 — шайба регулирующая; 16 — шайба подшипниковая; 17 — шайба упорная; 18 — уплотнение; 19 — кольцо; 20 — шарик; 21 — игла подшипниковая; 22 — кольцо; 23 — шарик; 24 — шайба регулирующая; 25 — кольцо очистительное; 26 — подшипник; 27 — уплотнение радиальное; 28 — подшипник аксиальный; 29 — вал командный; 30 — вал торсионный; 31 — плунжер; 32 — муфта; 33 — шайба регулирующая; 34 — втулка дистанционная; 35 — игла подшипниковая; 36 — ротор; 37 — кожух; 38 — вал шарнирный; 39 — шайба упорная; 40 — диск распределительный в сборе; 41 — шайба упорная; 42 — «О» кольцо; 43 — пробка; 44 — втулка; 45 — шарик специальный; 46 — салазки; 47 — ‘О» кольцо; 48 — седло обратного клапана; 49 — шарик; 50 — пружина конусная; 51 — кольцо стопорное.
Виды ремонтируемых насосов дозаторов:
Мы производим ремонт всех видов простых и орбитальных насосов-дозаторов из данного списка:
OSPC 100 ON, OSPC 160 ON
ХУ-85-0/1, ХУ-120-0/1, ХУ-145-10/1
HKUQS-80,HKUQS-100, HKUQS-125, HKUQS-160, HKUQS-250, HKUQS-200500, HKUQS-400, HKUQS-500 или HKUS 500/4-М
ГА-36000, ГА-35000
У-245-006-250, У-245-006-500, У-245-006-1000, У-245-009-85 или У 245009-04 (80) / Е-80
У-245-009-125 или У 245009-03 (125) / Е-125, У-245-009-160 или У 245009-00 (160) /Е-160
У-245-009-250 или У 245009-02 (250) / Е-250, У-245-009-500 или У 245009-01 (500) / Е-500
У-245-009-1000 или У 245009-00 (1000) /Е-1000
ОКР-3500, ОКР-31000, ОКР-41000, ОКР-62000
МРГ.01/100-2УХЛ+кк, МРГ.01/125-2УХЛ+кк, МРГ.01/160-2УХЛ+кк, МРГ.01/200, МРГ.01/250-2УХЛ, МРГ.01/500, МРГ.01/1000
НДМ-80-6,3, НДМ-125, НДМ-У-200-600, НД 80В-00, НД 80К-12, НДО-125 (орбитальный)
DANFOS-100, DANFOS-160, DANFOS-500
Д002,000,02 (80) Д002,000,02 (100), Д002,000,03 (125), Д002,000,04 (160), Д002,000,07 (250), Д002,000,10 (500)
ORSTA-100, ORSTA-160, ORSTA-250, ORSTA-500
Lifum -100, Lifum -125, Lifum -160, Lifum -200500, Lifum -500
Ремонт насоса дозатора. Устройство насоса дозатора.
Как разобрать и почистить насос дозатор своими руками (видео)
Cборка и ремонт насоса дозатора ХУ-85, ХУ-120, ХУ-145.
Ремонт гидроруля. Ремонт насоса-дозатора









