Гидромотор МГП 112/32
МГП 112/32 М насос — мотор регулируемый аксиально-поршневой.
Гидромотор МГП 112/32 цена, где купить
Поршневой аксиальный гидравлический регулируемый гидромотор МГП 112/32 в различных модификациях является устройством, отвечающим за превращение кинетической энергии масла в механическую энергию. После преобразования энергии она передается в вал. Жидкость гидравлического характера крутит вал и под давлением подается на вход двигателя. Крутящийся вал занимается выработкой энергии. Гидромотор способен выдавать огромную мощность, потому его можно считать своеобразным миниатюрным гидродвигателем.
Стоит отметить, что гидромотор МГП 112/32 применяется в большом количестве отраслей промышленности: от космической до сельскохозяйственной.Гидромоторы предназначены для агрегатов, которым требуется огромное мощное энергетическое силовое воздействие. Другими словами, изделия предназначены для установки практически на любую тяжелую инновационную технику.
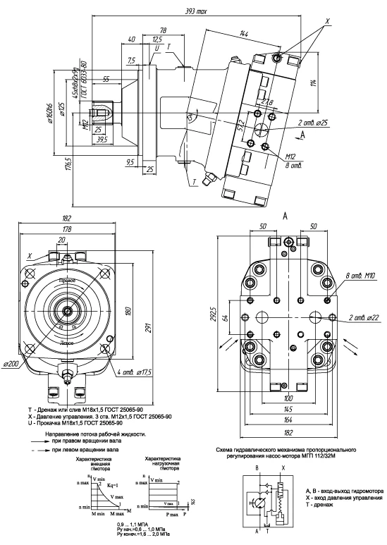
| Наименование параметра | Размер | |
| Насос | Двигатель | |
| Рабочий объем | — | — |
| номинальный ( Vnom .), см 3 | 112 | 112 |
| минимальный ( Vmin ), см 3 | 32 | 32 |
| Частота вращения, с -1 (об/мин) | — | — |
| номинальная (при Vnom ) | 25 (1500) | 25 (1500) |
| максимальная (при Vnom ) | 33,3(2000) | 50 (3000) |
| максимальная (при Vmin ) | — | 66,7 (4000) |
| минимальная ( при Vnom) | 3,3(200) | 0,8 (50) |
| Расход, л/мин | — | — |
| номинальная, не менее | 159,6 -4,8 | — |
| минимальная | 40 | — |
| Номинальный расход, л/мин, не более | — | 182,6 |
| Расход в линии управления, л/мин | 0,2 | 0,2 |
| Давление на выходе, МПа (кгс/см 2 ) | — | — |
| номинальное | 32 (320) | — |
| максимальное | 40 (400) | 20 (200) |
| Давление на входе номинальное, МПа (кгс/см 2 ) | — | 32 (320) |
| максимальное, МПа (кгс/см 2 ) | 1,6 (16) | 40 (400) |
| Номинальный перепад давлений, МПа (кгс/см 2 ) | — | 32 (320) |
| Давление начала регулирования, МПа (кгс/см 2 ) | 0,6÷1,0 | 0,6÷1,0 |
| Максимальное давление дренажа, МПа | 0,2 | 0,2 |
| Номинальный крутящий момент, Н ì× | — | 524 -16 |
| Номинальная мощность, к Вт | — | — |
| потребляемая, не более | 97,6 +2,9 | — |
| эффективная, не менее | — | 80,7 -2,4 |
| Коэффициент подачи, % | 95 | — |
| Гидромеханический КПД, %, не менее | — | 92 |
| КПД, %, не менее | 90 | 90 |
| Масса (без рабочей жидкости), кг | 58 | 58 |
НА КАКОЙ ЖЕ ТЕХНИКИ ПРИМЕНЯЕТСЯ НАСОС МОТОР МГП112/32?
Модель МГП-112/32 может эффективно работать на:
— разных типах строительной техники;
— дорожном оборудовании;
— экскаваторах и автокранах;
— погрузчиках;
— оборудовании, применяемом в коммунальном хозяйстве;
— силовых обильных и стационарных гидроприводах.
Аксиально-поршневой гидромотор гидравлический регулируемый под номером МГП 112/32, установленный в автокране, необходим для передачи крутящего момента грузовой лебедке.
Может применяться на следующих автокранах:
— ульяновец МКТ-25.5;
— Дрогобыч КС-4574 и КС 3575;
— клины и галичанин КС-55713, КС-4572 и КС-45719;
– Ивановец КС-35715, КС-35714, КС-45717, КС-3574 и КС-3577.
Кроме этого, гидромотор МГП 112/32, продажа которого производится в магазине «Кран-Мастер», может быть установлен на различной дорожной и строительной технике. Больше всего он подойдет на:
— дорожные катки ВГ-12, ВА-9, ВА-9002, ВГ-1202, ВА-252 и ВА-6122;
— асфальтоукладчики АГ-7,5, АК-7,5 и ДС-196;
— экскаваторы ЭО-4225А-06, ЭО-4225А-07, ЭО-43211, ЭК-270 и ЭО-6123.
— погрузчиках ТО-18Б, ТО-27, ТО-40С, ТО-28, ПК-032, Амкодор-208, ТМ-3А, Амкодор-322, ТО-49, ДЗ-133 и ОП-0501;
— различных валильно-пакетирующих машинах.
Для качественной работы гидромотора МГП 112/32 следует убедиться в том, что он действительно применим на машине, на которую его хотят поставить. Да, сфера применения агрегатов МГП 112/31 достаточно широка, но техника постоянно развивается, и можно ошибиться. Хорошими аналогами заявленной модели являются изделия из серии 209.25.
Технические характеристики МГП 112/32 И ЕГО ОПИСАНИЕ
У линейки моделей 303 имеются характеристики, сходные с характеристиками других аксиально-поршневых гидромоторов. Речь идет о следующих характеристиках:
— маленькие габариты, позволяющие осуществлять перевозку изделия наиболее удобным для клиента способом;
— как и другие гидродвигатели, модели серии 303 устанавливаются без наличия уникальных специализированных знаний по теме;
— двигатель крайне редко ломается и выходит из строя, а потому ремонт не вызывает проблем;
— соблюдая минимальные требования по эксплуатации, можно заставить работать двигатель в несколько более длительных сроках, чем сроки службы, заявленные изготовителем.
КУПИТЬ РЕГУЛИРУЕМЫЙ ГИДРОМОТОР МГП 112/32
Не удивительно, но многие клиенты при выборе гидромотора ориентируются исключительно на цену. Как правило, чем ниже стоимость товара, тем он лучше. Хотим отметить, что гидромотор является очень сложным и высокоточным отлаженным механизмом. Его производят в соответствии с установленными нормами, стандартами и правилами. Малейшая неточность во время производственного процесса может привести к тому, что изделие просто не справиться с задачами, возложенными на него.
Именно поэтому при выборе гидромотора специалисты магазина «Компания» всегда советуют обратить внимание на качество и репутацию товара. В нашем магазине представлены исключительно качественные изделия, которые можно купить по минимальным ценам. Это обусловлено тем, что мы работаем непосредственно с изготовителем, и в нашей работе не участвуют посредники.
Аксиально-поршневой гидромотор МГП 112/32 имеет большой диапазон рабочего объема. Это положительно влияет на процесс эксплуатации, производительность и результаты.
Остались вопросы? Звоните! Специалисты компании всегда готовы вас проконсультировать!
Встал вопрос? Напишите нам! Позвоните нам по номеру






