Гидромотор МГП-80, Гидромотор МГП-100, Гидромотор МГП-125, Гидромотор МГП-160, Гидромотор МГП-200, Гидромотор МГП-250, Гидромотор МГП-315, Гидромотор МГП-400
Новые гидромоторы МГП-80, МГП-100, МГП-125, МГП-160, МГП-200, МГП-250, МГП-315, МГП-400.
У нас в наличии появились новые героторные гидромоторы типа МГП. Данные гидромоторы Болгарского производства и считаются аналогами гидромоторов Sauer-Danfoss (OMS, OMT), Charr-Lynn и Eaton. Благодаря относительно низкой стоимости, но и в то же время не плохими параметрами частоты и момента вращения, они обрели широкую применяемость на различной спецтехнике.
У нас в наличии всегда есть новые гидромоторы МГП-80, МГП-100, МГП-125, МГП-160, МГП-200, МГП-250, МГП-315, МГП-400, а также импортные героторные гидромоторы Eaton, Charr-Lynn, Danfoss, Sauer-Danfoss, Vickers, Bosch-Rexroth. Так же имеем возможность выполнить ремонт гидромотора МГП-80, МГП-100, МГП-125, МГП-160, МГП-200, МГП-250, МГП-315, МГП-400.
Технические характеристики гидромоторов МГП-80, МГП-100, МГП-125, МГП-160, МГП-200, МГП-250, МГП-315, МГП-400
| Параметр | МГП-80 | МГП-100 | МГП-125 | МГП-160 | МГП-200 | МГП-250 | МГП-315 | МГП-400 |
| Рабочий объем, см3 | 80,5 | 100 | 125,7 | 159,7 | 200 | 250 | 314,9 | 400 |
| Частота вращения, об/мин Номинальная Максимальная Минимальная | 350 810 10 | 270 650 10 | 212 512 10 | 172 400 10 | 138 325 10 | 107 260 6 | 83 210 6 | 70 162 6 |
| Давление на выходе, МПа Номинальное Максимальное | 21 25 | |||||||
| КПД общий | 0,78 | |||||||
| Полезная номинальная мощность, кВт | 7,25 | 6,0 | 5,1 | 3,6 | ||||
| Крутящий момент, номинальный, нм | 196 | 250 | 315 | 335 | 400 | 450 | 560 | 570 |
| Номинальная величина потока, л/мин | 30 | |||||||
| Максимальный перепад давления, МПа | 21 | 21 | 21 | 21 | 17,5 | 15,5 | 14 | 12 |
| Масса, кг | 9,8 | 10 | 10,3 | 10,7 | 11,1 | 11,6 | 12,3 | 13,6 |
Гидромоторы серии МГП выпускаются по лицензии фирмы «Данфосс» — Дания, с объемами от 40 до 400 см и различными исполнениями присоединительных валов (цилиндрические, шлицевые, конические по специальным размерам заказчиков).
Назначение:
Предназначены для привода рабочих органов сельскохозяйственной, тракторной техники, дорожно-строительных, коммунальных, деревообрабатывающих машин, оборудования и механизмов, работающих в пожарно-взрывоопасных средствах и условиях повышенной влажности.
Устройство и принцип работы:
Гидромоторы серии МГП – реверсивная гидромашина планетарного типа с нерегулируемыми параметрами. Рабочий орган состоит из ротора, статора и роликов. Ротор и статор с роликами вместе с двумя пластинами образуют замкнутые камеры переменного объема, в которые при помощи золотникового устройства подается под давлением рабочая жидкость, приводящая через карданную систему выходной вал во вращение. Рабочая жидкость: любые минеральные масла с кинематической вязкостью (20 – 800) х 10-6 м2/сек. при температуре (243-363)0К.
Температура окружающей среды ОМ — 50°С до + 50°С. Порядок установки и требования к монтажу:
- Для предохранения манжетного уплотнения от давления дренажных утечек рабочей жидкости свыше 1 МПа необходимо предусматривать дренажную гидролинию, присоединяемую к дренажному отверстию. При давлении в сливной магистрали до 1 МПа допускается дренажную линию не ставить, слив дренажа будет происходить через один из обратных клапанов в сливную полость гидромотора. Обратный клапан срабатывает от избыточного давления 0,1 МПа по отношению к давлению сливной полости.
- На гидромотор не должны передаваться механические воздействия от деформаций и перемещений присоединяемых к нему гидролиний.
- Запрещается производить монтаж посредством ударов по гидромотору.
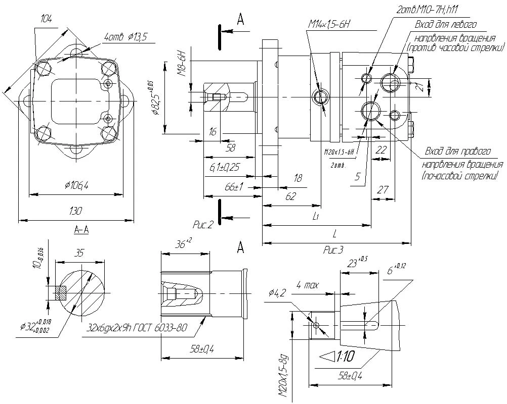
Габаритно-присоеденительные размеры насоса МГП
Таблица: Применяемость гидромоторов МГП
| Наименование продукции | Индекс | Масса, кг | Применяемость |
|---|---|---|---|
| Мотор гидравлический планетарный | МГП 80 | 9,8 | МКСМ-800, «Пума», КМ-600С, ЗС-0000000, КО-560, 512, 514, 829, АПТ-22, 28, ЭД-405, ПУМ-Магистраль, «Дон-680», «Русь», КЗС-3 |
| Мотор гидравлический планетарный | МГП 100 | 10 | АП-15-01/02, 17-04/07, АГП-22, УБРС-2ГТ, УКМ, УБЗ, УБРС, МВТ-1500, МТЗ-80.1, 82.1, 1221 |
| Мотор гидравлический планетарный | МГП 125 | 10,3 | МВТ-1500, «Пума», КС-600С, КО-560, 512, 0514, 829, «Дон-680», ЛТЗ-55, 155, 60, МТЗ-80.1, 82.1, 1221 |
| Мотор гидравлический планетарный | МГП 160 | 10,7 | ЦДС-1100, МВТ-1500, «Пума», КМ-600С, СПР-1100, АП-15-01/02, АГП-22, МКГП00.000, МНР-5, УКМ, МТЗ-80.1, 82.1, 1221, «Дон-680» |
| Мотор гидравлический планетарный | МГП 200 | 11,1 | ПУМ-Магистраль, УКМ, ЦДС-1100, МНР-5 |
| Мотор гидравлический планетарный | МГП 315 | 12,3 | МКСМ-800, ПУМ-Магистраль, «Пума», СПР-1100, ЦДС-1100, КУТ-4, КТП-10, АУП-18.05, ППФ-25, Р-310 |
ГИДРОВРАЩАТЕЛИ РПГ. РПГ-2500, РПГ-3200, РПГ-4000, РПГ-5000, РПГ-6300, РПГ-8000, РПГ-10000
Ремонт гидронасосов P-106, P-37, P-7 фронтального погрузчика L-34 фирмы «Stalowa Wola»
Ремонт шестеренных насосов. Ремонт шестеренчатых насосов
Ремонт шестеренчатых насосов Bucher
Ремонт гидрораспределителей Bosch Rexroth
Ремонт гидромоторов SAUER DANFOSS, Ремонт гидронасосов SAUER DANFOSS
Ремонт аксиально поршневого насоса с наклонной муфтой. Ремонт насоса банана
Ремонт водяных насосов. Ремонт помп
Ремонт импортных гидромоторов и гидронасосов







