Гидронасос Н-403Е
Скидки
При покупке от 100000 руб скидка 5 %
Код_купона_5
Методы оплаты:
Описание
Радиально-поршневой насос Н-403Е является ексцентриковым реверсивным насосом предназначеным для работы в гидравлических системах с рабочим давлением 32 МПа. Существует два конструктивных исполнения гидравлических насосов Н-403 — это насос Н-403Е (реверсивный) который способен изменять направление вращения вала, и насос Н-403У которы крутит вал лишь в правую или левую сторону. Используются гидравлические насосы Н-403Е в гидросистемах с высоким давление, порядка 400 бар. Конструкция гидронасосв Н-403 позволяет им длительно время работать при высоком давлении. Эта особенность дала насосам Н-403Е широкое приминения в промышленной гидравлике, станочной и прессовой гидравлике, а так же в шахтном оборудовании. Рабочей жидкостью гидронасосов Н-403Е является минеральное гидравлическое масло вязкостью 21-211 сСт(мм2/с) и рабочей температурой +10…+50°С.
Купить новый гидронасос Н-400Е можно у нашей компании, у нас всегда в наличии есть новые и реставрационные насосы Н-403, а так же насосы этой серии, такие как: гидронасос Н-400, гидронасос Н-401. Так же имеем возможность выполнить ремонт гидронасоса Н-403Е с гарантией. По поводу ремонта, или покупки гидронасоса Н-403Е обращайтесь по номеру указанному на сайте.
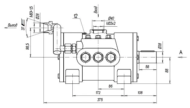
Габаритно присоеденительные размеры гидронасоса Н-403Е
| Наименование параметра насосов | Типоразмеры Эксцентриковых поршневых насосов | |||||
| Н-400ЕР | Н-400УР | Н-401ЕР | Н-401УР | Н-403ЕР | Н-403УР | |
| V Ном. рабочий, смЗ | 4 | 4 | 12,85 | 12,85 | 25,7 | 25,7 |
| Номинальная подача, литров /минуту, не менее | 5,5 | 5,5 | 17 | 17 | 34 | 34 |
| Частота вращения, оборотов / минуту | 1500 | |||||
| Давление на выходе, МПа Номинальное, не более Максимальное, не более | 20 25 | 20 25 | 32 40 | 32 40 | 32 40 | 32 40 |
| P на входе, МПа MAX, не более MIN, не менее | 0,01 0,005 | 0,01 0,005 | 0,01 0,005 | 0,01 0,005 | 0,01 0,005 | 0,01 0,005 |
| Коэфициент подачи, %, не менее | 80 | 80 | 88 | 88 | 88 | 88 |
| Номинальная мощность, кВт | 2,1 | 2,1 | 10,7 | 10,7 | 21 | 21 |
| Направлене вращения приводного вала насосов | Любое | |||||
| m, кг | 15,5 | 15,5 | 41,0 | 42,0 | 50,0 | 50,0 |
Фото гидронасоса Н-403Е
Обозначение радиально-поршневого насоса Н-403Е (Расшифровка маркировки насоса Н403Е)
Таблица базовых параметров гидронасосов Н-400, Н-401, Н-403
| Наименование параметра | Типоразмер насоса | ||
| Н400Е (Н400УР) | Н401Е (Н401УР) | Н403Е (Н404УР) | |
| Рабочий объём, см³ | 4 | 12,5 | 25 |
| Номинальная частота вращения, об/мин. | 1500 | ||
| Номинальная подача, л/мин. | 5,5 ± 5% | 17,06 ± 5% | 34,12 ± 5% |
| Давление на выходе (мин./макс.), МПа | 20/28 | 32/40 | |
| Давление на входе (мин./макс.), МПа | 0,005/ 0,01 | ||
| Коэффициент подачи | 0,91 | ||
| КПД | 0,82 | 0,85 | 0,85 |
| Номинальная мощность, КВт | 2,2 | 10,5 | 21 |
| Направление вращение вала | любое | ||
| Масса (без рабочей жидкости), кг | 15 | 38 | 47 |
Насос радиально-поршневой эксцентриковый Н400Е реверсивный — предназначен для общемашиностроительного применения и работы в гидроприводах машин и механизмов, соответствующих ГОСТ 1741-1-81, где требуются давление до 32 МПа ( насос Н40 3 Е) и нерегулируемый по величине поток рабочей жидкости с постоянным направлением.
Радиально-поршневые насосы типа Н403Е применяются в областях промышленности связанных с высоким давлением (до 400 бар). В прессах, в установках для обработки полимеров, зажимных устройствах станков и во многих других областях применения, где требуются значения рабочего давления до 400 бар. Только радиально поршневые насосы способны работать длительно при столь высоких давлениях.







