Ремонт гидроруля ХУ-85, Ремонт гидроруля ХУ-120, Ремонт гидроруля ХУ-145
Ремонт гидростатического рулевого управления ХУ-85, ХУ-120, ХУ-145. Ремонт насоса дозатора ХУ-85, ХУ-120, ХУ-145. Ремонт гидроруля ХУ-85, ХУ-120, ХУ-145.
В связи с требованиями высокой степени точности и чистоты, ремонт гидростатического рулевого механизма (насоса-дозатора) ХУ-85 0/1 для Львовских погрузчиков должен осуществляться в специализированной мастерской для их ремонта. Работая на базе завода мы располагаем современным высокоточным станочным оборудованием, а так же имеем связи с болгарскми производителями данных насосов-дозаторов. Бартеруясь с заводом-производителем гидрорулей ХУ-85, ХУ-120, ХУ-145 мы имеем оригинальные заводские комплектующие, именно это отличает нас от множества конкурентов которые ставят китайские золотники что бы удешевить ремонт.
Доверяе ремонт насоса дозатора ХУ-85, ХУ-120, ХУ-145 нам вы получите полностью рабочий гидроруль, с оригинальными запчастями, проверенный на испытательном стенде, с выставленным по заводским меркам давлением.
По вопросам ремонта насос дозатора ХУ-85, ХУ-120, ХУ-145 звоните по номеру .
Порядок разборки насоса-дозатора (гидроруля) ХУ-85, ХУ-120, ХУ-145:
Гидроруль ХУ-85, ХУ-120, ХУ-145 очистить снаружи, зажать в тиски с мягкими прокладками и отвернуть болты.
Детали насоса дозатора ХУ-85, ХУ-120, ХУ-145 демонтировать в следующем порядке:
— Снять крышку, кожух с двумя «О» кольцами, упорную шайбу, распределительный диск (пометить взаимное положение внутренней и наружной частей), распределительную плиту, статор и ротор (пометить их взаимное положение; не допускается перемена мест), опорную плиту и шарнирный вал.
— С помощью проволочного крюка или специальными щипцами вынуть из корпуса направляющую, втулку с «О» кольцом. Повернуть корпус и вынуть шарик.
— Отвернуть седло предохранительного клапана, снять корпус с тисков и вынуть из корпуса шарики, пружину, направляющие клапанов и игольчатый ролик.
Снять стопорное кольцо с командного вала насоса дозатора ХУ-85, ХУ-120, ХУ-145.
— Снять кольцо и регулировочные шайбы и вынуть командный вал, с командным плунжером из корпуса, со стороны дозировочного насоса.
— Снять подшипниковые шайбы и аксиальный игольчатый подшипник.
— Снять с корпуса уплотнитель с очистителем и выпрессовать подшипники, упорную шайбу и радиальный уплотнитель.
— Вынуть обе пробки с «О» кольцом.
— Не стоит разбирать узел — командный вал, торсионный вал и плунжер, если нет повреждений или износа (обратить внимание на зазор между управляемой наклонной прорезью и ведущим штифтом).
Принципиальная схема насоса-дозатора ХУ-85, ХУ-120, ХУ-145
Если необходима разборка, осуществлять ее в следующем порядке:
— Установить шарик (малый) в командный вал с помощью оправки диаметром 3 мм до тех пор, пока не станет возможным поворачивать ббольшой шарик.
— Провернуть вал на 180° и оправкой выпрессовать иглу подшипника и шарик.
— Вынуть из командного вала торсионный вал, дистанционную втулку, регулировочную шайбу и муфту.
выпрессовать из вала штифт и Снять командный плунжер.
Проверка частей гидроруля (насоса-дозатора) ХУ-85, ХУ-120, ХУ-145
Промыть в скипидаре или в дизельном топливе все детали гидроруля ХУ-85, ХУ-120, ХУ-145, просушить и проверить в соответствии с общими указаниями:
— Корпус — поверхность отверстия для командного плунжера, состояние резьб и гнезд клапанов.
— Командный плунжер — наружный диаметр 30,45 мм командные кромки, шлицы и прорези ведущего штифта. Зазор между корпусом и командным плунжером 0,005+0,012 мм. Изношенные плунжер или корпус заменить комплектом новых.
— Командный вал — поверхность игольчатых подшипников, шлицы и отверстие иглы подшипника.
— Рабочая пара, статор и ротор. Зазор между их зубьями, который не должен быть более 0,1 мм; состояние торцевых поверхностей и шлицев. При зазоре между статором и ротором более 0,1 мм они подлежат замене в комплекте.
— Опорная плита, распределительная плита, распределительный диск и крышка — рабочие поверхности. Они должны быть гладкими, без царапин и вмятин и иметь шероховатость по 7-му или более высокому классу чистоты.
— Шарнирный вал — зубья, цапфа, передаточный шлиц.
Радиальные игольчатые подшипники и аксиальный игольчатый подшипник с подшипниковыми шайбами. Изношенные подшипники и шайбы заменить новыми.
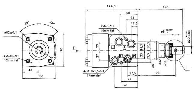
Габаритно присоеденительные размера насоса-дозатора ХУ-85, ХУ-120, ХУ-145
Так же имеем возможность выполнить ремонт других насосов-дозаторов мировых производителей
| Виды насосов дозаторов которые мы ремонтируем |
|---|
| Ремонт насоса дозатора (гидроруля) HKUQS-80 |
| Ремонт насоса дозатора (гидроруля) HKUQS-500 |
| Ремонт насоса дозатора (гидроруля) HKUQS-250 |
| Ремонт насоса дозатора (гидроруля) HKUQS-200500 |
| Ремонт насоса дозатора (гидроруля) HKUQS-160 |
| Ремонт насоса дозатора (гидроруля) HKUQS-125 |
| Ремонт насоса дозатора (гидроруля) HKUQS-100 |
| Ремонт насоса дозатора (гидроруля) DANFOSS-500 (Дания) |
| Ремонт насоса дозатора (гидроруля) DANFOSS-160 (Дания) |
| Ремонт насоса дозатора (гидроруля) DANFOSS-100 (Дания) |
| Ремонт насоса дозатора (гидроруля) LIFUM-100 |
| Ремонт насоса дозатора (гидроруля) LIFUM-160 |
| Ремонт насоса дозатора (гидроруля) LIFUM-125 |
| Ремонт насоса дозатора (гидроруля) LIFUM-200500 |
| Ремонт насоса дозатора (гидроруля) LIFUM-400 |
| Ремонт насоса дозатора (гидроруля) LIFUM-500 |
| Ремонт насоса дозатора (гидроруля) ORSTA-100 |
| Ремонт насоса дозатора (гидроруля) ORSTA-160 |
| Ремонт насоса дозатора (гидроруля) ORSTA-250 |
| Ремонт насоса дозатора (гидроруля) ORSTA-500 |
| Ремонт насоса дозатора (гидроруля) ORSTA-80 |
| Ремонт насоса дозатора (гидроруля) PETOLETKA-100 |
| Ремонт насоса дозатора (гидроруля) PETOLETKA-160 |
| Ремонт насоса дозатора (гидроруля) PETOLETKA-250 |
| Ремонт насоса дозатора (гидроруля) PETOLETKA-500 |
| Ремонт насоса дозатора (гидроруля) PETOLETKA-800 |
| Ремонт насоса дозатора (гидроруля) АР-125-16 |
| Ремонт насоса дозатора (гидроруль) ГА-36000 (Россия) |
| Ремонт насоса дозатора (гидроруля) Д002.000.03100 |
| Ремонт насоса дозатора (гидроруля) Д002.000.04125 |
| Ремонт насоса дозатора (гидроруля) Д002.000.05160 |
| Ремонт насоса дозатора (гидроруля) Д002.000.07250 |
| Ремонт насоса дозатора (гидроруля) Д002.000.10500 |
| Ремонт насоса дозатора (гидроруля) МРГ-100 |
| Ремонт насоса дозатора (гидроруля) МРГ-160 |
| Ремонт насоса дозатора (гидроруля) МРГ-250 |
| Ремонт насоса дозатора (гидроруля) МРГ-500 |
| Ремонт насоса дозатора (гидроруля) МРГ-85 |
| Ремонт насоса дозатора (гидроруля) НД 80В-00 |
| Ремонт насоса дозатора (гидроруля) НД 80К-12 |
| Ремонт насоса дозатор (гидроруля) НДМ-125-6,316 |
| Ремонт насоса дозатора (гидроруля) НДМ-200-У600 |
| Ремонт насоса дозатора (гидроруля) НДМ-80-6,3 |
| Ремонт насоса дозатора (гидроруля) НДО-125 |
| Ремонт насоса дозатора (гидроруля) НДФ-125-У2 |
| Ремонт насоса дозатора (гидроруля) НДФ-80-У2 |
| Ремонт насоса дозатора (гидроруля) ОКР-31000 |
| Ремонт насоса дозатора (гидроруля) ОКР-3500 |
| Ремонт насоса дозатора (гидроруля) ОКР-41000 |
| Ремонт насоса дозатора (гидроруля) ОКР-62000 |
| Ремонт насоса дозатора (гидроруля) У 245.006-1000 |
| Ремонт насоса дозатора (гидроруля) У 245.006-250 |
| Ремонт насоса дозатора (гидроруля) У 245.006-500 |
| Ремонт насоса дозатора (гидроруля) У 245.009-1000 |
| Ремонт насоса дозатора (гидроруля) У 245.009-125 |
| Ремонт насоса дозатора (гидроруля) У 245.009-160 |
| Ремонт насоса дозатора (гидроруля) У 245.009-250 |
| Ремонт насоса дозатора (гидроруля) У 245.009-500 |
| Ремонт насоса дозатора (гидроруля) У 245.009-85 |
| Ремонт насоса дозатора (гидроруля) ХУ-120 |
| Ремонт насоса дозатора (гидроруля) ХУ-145 |
| Ремонт насоса дозатора (гидроруля) ХУ-245 |
| Ремонт насоса дозатора (гидроруля) ХУ-85 |
Характеристики насосоов дозаторов Д-100, Д-002 (МТЗ)
Ремонт насоса дозатора ХУ-85, Ремонт насоса дозатора ХУ-120, Ремонт насоса дозатора ХУ-145
Ремонт насоса-дозатора МТЗ. Ремонт гидроруля МТЗ
Ремонт насосов-дозаторов Sauer-Danfoss, Ремонт гидрорулей Sauer-Danfoss
Ремонт насосов-дозаторов Danfoss. Ремонт гидрорулей Danfoss
Ремонт насосов дозаторов рулевого управления (гидрорулей) на отечественную и импортную сельхоз и спецтехнику
Ремонт насоса-дозатора Calzoni, Ремонт гидроруля Calzoni, Ремонт ГУР Calzoni
Таблица применяемости гидрорулей (насосов-дозаторов)
Ремонт насосов-дозаторов, ремонт гидрорулей.







