Ремонт КПП КАМАЗ
Ремонт КПП КАМАЗ
Коробка переключения передач КАМАЗ – один из ключевых узлов автомобиля. Она выполняет две функции: изменение крутящего момента двигателя и передача его на ведущие мосты. Дорожные условия и погрузка грузовых автомобилей ежедневно меняются. Поэтому здесь особенно важна возможность регулировки тяговых и скоростных характеристик. КПП КамАЗ с делителем повышает диапазон настроек режима и обеспечивает максимальную эффективность использования двигателя.
Устройство КПП КАМАЗ
Коробки переключения передач , которыми оснащены автомобили КамАЗ, принципиально ничем не отличаются от аналогичных агрегатов других тягачей. Однако они не взаимозаменяемы и имеют определенные особенности конструкции.
Наиболее распространены два варианта КПП КАМАЗ – 14-я (141, 142, 144) и 15-я (152, 154) модели.
В картере обеих коробок установлены сразу три вала:
— ведущий;
— промежуточный;
— ведомый.
Как любые современные механические КПП они оснащены синхронизаторами и имеют шестеренчатую передачу. Шестерни задней передачи устанавливаются в отдельном блоке.
Устройство делителя КПП КАМАЗ
Делитель – механизм, снижающий передаточное отношение коробки переключения передач.
В его конструкцию входят следующие компоненты:
— блокирующие кольца синхронизатора, установленные с двух сторон;
— муфта с зубчиками, синхронизирующая вращение элементов;
— две шестерни;
— два вала;
— корпус;
— вилка переключения скоростей;
— рычаг;
— валик погрузчик.
Для уменьшения износа и увеличения срока службы детали работают в масляной среде. Если вы собрались самостоятельно выполнить ремонт КПП КамАЗ с делителем, схема устройства должна быть хорошо изучена и находиться под рукой.
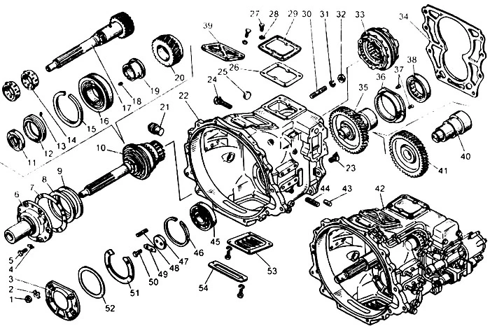
| 1 | Гайка М12х1,25-6Н | 28 | Шайба 8 пружинная |
| 2 | Шайба замковая 12,3 | 29 | Крышка люка картера делителя передач |
| 3 | Крышка переднего подшипника промежуточного вала | 30 | Заколка картера М16х1,5х22х45 |
| 4 | Шайба замковая 10 | 31 | Шайба 16 пружинная |
| 5 | Болт М10х1,25-6gх30 | 32 | Гайка М16х1,5-6Н |
| 6 | Крышка подшипника первичного вала в сборе | 33 | Синхронизатор делителя передач в сборе |
| 7 | Прокладка крышки первичного вала | 34 | Прокладка картера делителя передач |
| 8 | Прокладка регулировочная | 35 | Вал промежуточный делителя передач в сборе |
| 9 | Прокладка регулировочная | 36 | Гнездо заднего подшипника промежуточного вала |
| 10 | Вал первичный делителя передач в сборе | 37 | Винт М6-6gх16 |
| 11 | Гайка специальная М52х2-Л-6Н | 38 | Подшипник роликовый |
| 12 | Кольцо маслонагнетающее первичного вала | 39 | Крышка картера сцепления верхняя |
| 13 | 4×12 штырьков | 40 | Вал промежуточный делителя передач |
| 14 | Подшипник роликовый радиальный с длинными цилиндрическими роликами двухрядный без колец | 41 | Шестерня промежуточного вала |
| 15 | Кольцо стопорное | 42 | Делитель передач с управлением в сборе |
| 16 | Подшипник шариковый радиальный однорядный ГОСТ 520-89 | 43 | Штифт 12×35 |
| 17 | Вал первичный делителя передач | 44 | Заколка М16х1,5х22х35 |
| 18 | Шпонка призматическая 6х8х13 | 45 | Подшипник шариковый радиальный однорядный с канавкой на наружном кольце |
| 19 | Втулка заднего подшипника первичного вала | 46 | Кольцо упорное переднего подшипника |
| 20 | Шестерня первичного вала делителя передач в сборе | 47 | Шайба упорная |
| 21 | Пробка сливная с магнитом в сборе | 48 | Шпилька М12х1,25х18х30 |
| 22 | Картер делителя передач со втулками в сборе | 49 | Планка стопорная |
| 23 | Масленка КГ/8″ 45 (45916751064) | 50 | Болт М12х1,25-6gx30 |
| 24 | Винт-болт | 51 | Прокладка крышки переднего подшипника промежуточного вала |
| 25 | Заглушка 28 | 52 | Кольцо уплотнительное крышки подшипника |
| 26 | Прокладка | 53 | Крышка смотрового люка сцепления нижняя |
| 27 | Болт М8-6gx16 | 54 | Крышка картера сцепления |
Ремонт делителя КПП КАМАЗ
Ремонтные работы включают четыре этапа:
— разборка агрегата;
— дефектовка деталей;
— замена изношенных элементов;
— сборка коробки.
Чтобы выполнить ремонт коробки с делителем, нужно выполнить следующие операции:
— снять воздушный переключатель;
— выкрутить болты крепления;
— вытащить валик;
— демонтировать вилку переключения скоростей;
— снять синхронизатор;
— демонтировать вал и вилку выжимного механизма;
— открутить крепежные элементы, удерживающие на первичном валу крышку заднего подшипника;
— снять крышку;
— демонтировать задний подшипник и вал (для этого придется соединить зубчики на ведущей шестерне и валу);
— снять крышку подшипника, используя резьбовые отверстия, выполненные в промежуточном валу;
— раскрутить крепежные элементы;
— демонтировать опорную роликовую шайбу;
— открутить болты стакана, закрывающего роликовый подшипник;
— снять роликовый подшипник и стакан с ведомого вала;
— с помощью деревянного бруска выбить вал и вытащить подшипник из корпуса делителя.
Важно: нельзя выбивать вал молотком. Это повредит деталь и ее придется менять.
— зажать шлицевую часть первичного вала в тиски;
— открутить стяжную гайку;
— демонтировать с вала маслонагнетательную гайку;
– снять роликовый подшипник, втулку и ведущую шестерню.
Далее необходимо проверить и заменить изношенные детали, а затем собрать делитель. Для сборки необходимо выполнить операции в обратной последовательности. Перед установкой делителя на машину нужно убедиться, что он собран правильно и валы свободно вращаются. Последний этап ремонта – тест-драйв. Он позволяет проверить работоспособность делителя в режиме реальной эксплуатации. Это помогает выявить неисправности, которые не удалось устранить при ремонте.
Каталог (применяемость) коробок переключения передач КПП ЯМЗ






