Ремонт КПП МТЗ-1221, ремонт коробки переключения передач МТЗ 1221
Ремонт КПП МТЗ-1221, ремонт коробки переключения передач МТЗ 1221
Коробка передач КПП МТЗ-1221 является одним из наиболее важных узлов трактора. Именно КПП МТЗ-1221 отвечает за изменение направления и скорости движения. Для трактора с его высоким расходом горючего и значительной нагрузкой на силовую установку правильный выбор программы позволяет не только снизить потребление топлива, но и способствует продлению срока службы узлов и агрегатов.
Чтобы эксплуатировать КПП МТЗ-1221 в оптимальном режиме, своевременно выявлять неисправности и осуществлять ремонт, необходимо представлять схему расположения отдельных элементов и принципы функционирования узла.
Устройство коробки МТЗ-1221
Коробка передач КПП МТЗ-1221 – механическое ступенчатое 6-диапазонное устройство с шестернями постоянного зацепления. Имеет 4 режима переднего хода и 2 режима заднего. Поддерживает возможность переключения 4 скоростей внутри каждого диапазона при помощи специальных синхронизаторов. В результате КПП МТЗ-1221 обеспечивает включение 16 передних и 8 задних режимов движения.
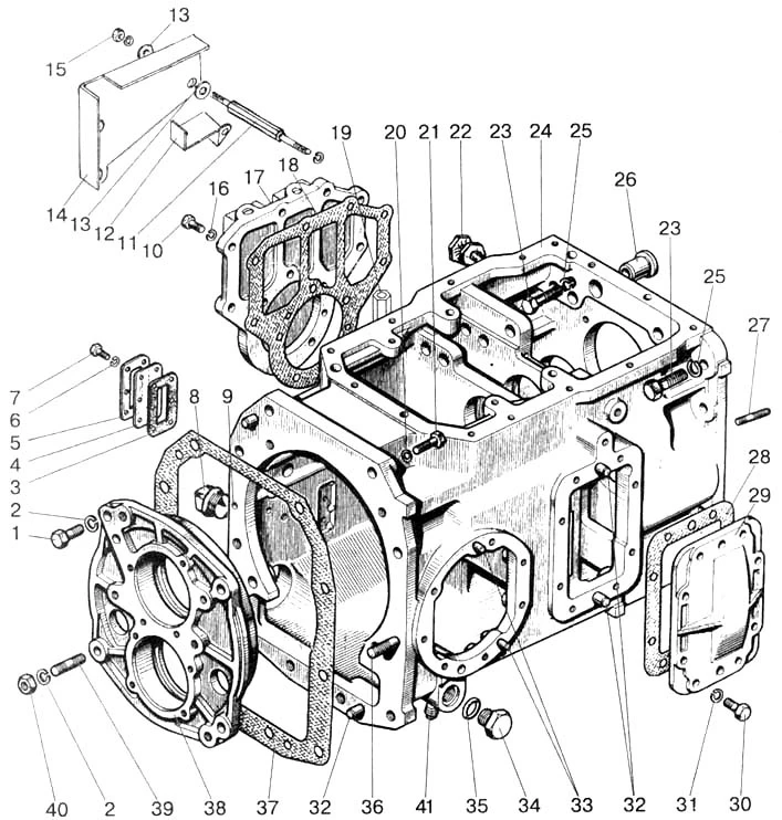
Коробка передач трактора МТЗ включает следующие узлы:
- механизм управления;
- узел передач;
- блок шестерен;
- вторичный вал;
- вал заднего хода и пониженных передач;
- гидросистему;
- корпус, в котором расположены вышеуказанные элементы.
В тракторе «Беларус» управляющий механизм КПП МТЗ-1221 состоит из двух компонентов: блок переключения передач с синхронизаторами и устройство переключения диапазонов. Каждый из указанных узлов имеет свой отдельный рычаг управления в кабине трактора.
Соответственно, при включении нужной скорости вначале устанавливается в требуемое положение рычаг включения передачи, а затем рычаг выбора диапазонов.
Схема переключения режимов работы КПП МТЗ-1221 представлена на фото, расположенном на сайте. Римскими цифрами обозначены положения рычага включения передач, арабскими – рычага выбора диапазонов.
Неисправности коробки передач МТЗ-1221
КПП МТЗ-1221 является надежным износостойким устройством, способным прослужить более трех лет в режиме ежедневной эксплуатации до проведения первичного ремонта.
Для этого необходимо соблюдать соответствующий режим работы самого узла и сопряженных с ним элементов. На исправность коробки передач оказывают влияние следующие факторы:
- достаточность уровня масла и соответствующее давление;
- своевременность очистки центрифуги и фильтрующих элементов;
- соблюдение режима регулировки сцепления;
- состояние переднего ведущего моста;
- правильность регулировки зацепления ГП заднего моста (для полноприводных моделей).
Ремонт КПП МТЗ-1221
Первый этап ремонта – демонтаж коробки передач, полная разборка и мойка узлов и агрегатов. Дальнейшие действия зависят от характера поломки. Наиболее характерные неисправности и причины их возникновения:
- недовключение передач – износ компонентов верхней крышки КПП МТЗ-1221;
- повреждение или повышенный износ шестерен первичного вала – пониженное давление масла или неисправность сцепления;
- повреждение подшипников или срыв гайки вторичного вала – неправильная регулировка зацепления ГП.
КПП МТЗ-1221: схема переключения
Для удобства водителя схема переключения расположена возле соответствующего рычага (см. фото на нашем сайте).
Нужно учитывать, что во избежание повышенного износа деталей КПП МТЗ-1221 включение скоростей производится последовательно. Переключение в пределах диапазона на ходу допустимо только при движении по ровной дороге. В условиях бездорожья рекомендуется преодолевать подобные участки на заранее выбранном режиме.
В каких случаях необходим ремонт КПП МТЗ-1221:
Когда требуется ремонт КПП МТЗ-1221? Спецтехнику следует диагностировать, если стало происходить самопроизвольное выключение передачи. Еще одна проблема, с которой может столкнуться владелец трактора — затрудненный ход рычага.
Ремонт коробки передач КПП МТЗ-1221 может заключаться в замене:
- масла;
- кулисы;
- подшипников;
- пазов и иных составляющих расходных запчастей КПП МТЗ-1221.
Ремонт КПП МТЗ-1221 может заключаться в осуществление подтяжки ослабленных креплений, из-за чего может отмечаться шум со стороны коробки. Также, причиной появления шума является износ подшипников. Параллельно с этим может отмечаться перегрев коробки передач. Чтобы заменить подшипники, сливается масло, осуществляется демонтаж крышки коробки, затем сама КПП МТЗ-1221, после чего она подлежит разборке.
При износе зубьев шестерен отмечается характерный звук. В исправном состоянии со стороны коробки передач не должны слышаться стуки.
В ряде случаев требуется промывка имеющегося сетчатого масляного фильтра. Осуществлять промывку следует в чистом ДТ. Одной из частых поломок является наличие низкого уровня масла в коробке. Он должен быть на нижней кромке имеющегося контрольного отверстия. Проверяется уровень горючего, когда техника стоит на ровной поверхности. При этом двигатель должен быть прогрет. Доливается жидкость через присутствующую на верхней крышке заливную пробку.
Устройство и ремонт КПП КАМАЗ. КПП КАМАЗ ремонт своими руками
Ремонт КПП КАМАЗ
Каталог (применяемость) коробок переключения передач КПП ЯМЗ








