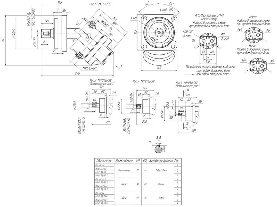
Гидронасос МН.56/32.3 аксиально-поршневой нерегулируемый (аналоги 310.3.56.03, 310.4.56.03, 410.56-10.02)
Гидронасос МН.56/32.3 аксиально-поршневой нерегулируемый (аналоги 310.3.56.03, 310.4.56.03, 410.56-10.02)
| Параметры | насос | мотор |
|---|---|---|
| * — 25 (до 25 МПа) и 10 (32 МПа при длительной работе) | ||
| Рабочий объем, см3 | 56 | |
| Частота вращения, с-1 (об/мин): | ||
| номинальная | 25 (1500) | 33,3 (2000) |
| максимальная | 33,3 (2000) | 58,3 (3500) |
| минимальная | 3,3 (200) | 0,16 (10) |
| Подача, л/мин | 85 | — |
| Расход, л/мин | — | 117,8+3,2 |
| Давление на выходе, МПа: | ||
| номинальное | 32 | — |
| максимальное | 40 | 20 |
| Давление на входе, МПа: | ||
| номинальное | — | 32 |
| максимальное | 1,6 | 40 |
| минимальное для закрытых схем | 0,4 | — |
| минимальное (абсолютное) для открытых схем | 0,08 | — |
| Номинальная мощность, кВт: | ||
| потребляемая, не более | 48,8 | |
| эффективная, не менее | — | 53,7 |
| Крутящий момент, номин., Н·м | — | 262 |
| Тонкость фильтрации, мкм | * | |
| Масса, кг | 19 | |
- Купить (цена) новый гидронасос МН 56/32 — насос-момтор (реверсивное направление вращения)
- Купить (цена) новый гидронасос МН 56/32.3 — насос (правое направление врашения)
- Купить (цена) новый гидронасос МН 56/32.4 — насос (левое направление вращения)
- Купить (цена) новый гидронасос МН 0.56/32 — насос-мотор ( направление вращения любое, вал шлицы ф30 мм)
- Купить (цена) новый гидронасос МН 0.56/32.1 — насос-мотор (направление вращения любое, вал шпонка 8x7x50 мм)
- Купить (цена) новый гидронасос МН 0.56/32.3 — насос (правое направление вращение, вал шлицы ф30 мм)
- Купить (цена) новый гидронасос МН 0.56/32.4 — насос (левое направление вращение, вал шлицы ф30 мм)
- Купить (цена) новый гидронасос МН 0.56/32.5 — насос (правое направление вращение, вал шпонка 8x7x50 мм)
- Купить (цена) новый гидронасос МН 0.56/32.6 — насос (левое направление вращение, вал шпонка 8x7x50 мм)
- Купить (цена) новый гидронасос МН 2.56/32 — насос-мотор (любое направление вращение, вал шлицы ф35 мм)
- Купить (цена) новый гидронасос МН 2.56/32.3 — насос (правое направление вращение, вал шлицы ф35 мм)
- Купить (цена) новый гидронасос МН 2.56/32.4 — насос (левое направление вращение, вал шлицы ф35 мм)
| Наименование параметра гидронасоса | МН 56/32.3 МН 56/32.4 | 310.3.56.03.06 (310.4.56.03.06) 310.3.56.04.06 (310.4.56.04.06) |
| Подача гидронасоса, л/мин: | ||
| номинальная подача | 80-2 | 80 |
| max подача | 106,4-2 | 133 |
| max частота вращения, об/мин | 2000 | 2500 |
| Давление рабочей жидкости на выходе, Мпа | ||
| номинальное давление | 32 | 20 |
| max давление | 40 | 35 (40) |
| КПД ηполный | 0,91 | 0,91 |
| Коэффициент подачи (объёмный КПД) ηобъёмный | 0,95 | 0,95 |
| Мощность, кВт: | ||
| приводная | 46 | 29 |
| max при | ||
| ΔP = 25 МПа | 48,1 | 52 |
| ΔP = 35 МПа | 67,2 | 72 |
| ΔP = 40 МПа | 76,9 | 83 |
| ΔP = 45 МПа | 86,5 | 93 |
| Вес изделия, кг | 20 | 17 |
| Направление вращения вала | МН 56/32.3 | 310.3.56.03.06 (310.4.56.03.06) |
| правое (вращение вала по часовой стрелке) | правое (вращение вала по часовой стрелке) | |
| Направление вращения вала | МН 56/32.4 | 310.3.56.04.06 (310.4.56.04.06) |
| левое (вращение вала против часовой стрелке) | левое (вращение вала против часовой стрелке) | |
| Исполнение вала | шлицевое | шлицевое |
| Размер выходной части вала, мм | Ø35к6 | Ø30к6 |
| Зацепление вала (по ГОСТ) | МН 56/32.3 | 310.3.56.03.06 (310.4.56.03.06) |
| 35xf7x2x9g | 35xf7x2x9g | |
| ГОСТ 6033-80 | ГОСТ 6033-80 | |
| Зацепление вала (по ГОСТ) | МН 56/32.4 | 310.3.56.04.06 (310.4.56.04.06) |
| ЭвЗОх2х14S3aХ | ЭвЗОх2х14S3aХ | |
| ГОСТ 6033-51 | ГОСТ 6033-51 | |
| Габаритные размеры, мм | ||
| длина | 290 | 326,5 |
| ширина | 145 | 140 |
| высота | 145 | 140 |
| Вид крепления по ISO3019/2 | 4отв. | 4отв. |
| Отверстия для присоединения фланцев в задней крышке | Ø30 и Ø22 | Ø30 и Ø22 |
Насос-моторы типа МН..56/32 являются аналогами ряда насос-моторов производства ОАО «Пневмостроймашина» (тип 310..56..) и фирмы «Rexroth» (тип A2F..).
— Новый насос-мотор МН 56/32—310.3.56.00 и 310.4.56.00—А2FM 56
— Новый насос-мотор МН 56/32.1—310.3.56.01—A2FO 56
— Новый насос-мотор МН 56/32.3—310.3.56.03 и 310.4.56.03—A2FO 56
— Новый насос-мотор МН 56/32.4—310.3.56.04 и 310.456.04—A2FO 56
— Новый насос-мотор МН 0.56/32—310.56.00—A2FO 56
— Новый насос-мотор МН 0.56/32.3—310.56.03—A2FO 56
— Новый насос-мотор МН 0.56/32.4—310.56.04—A2FO 56







