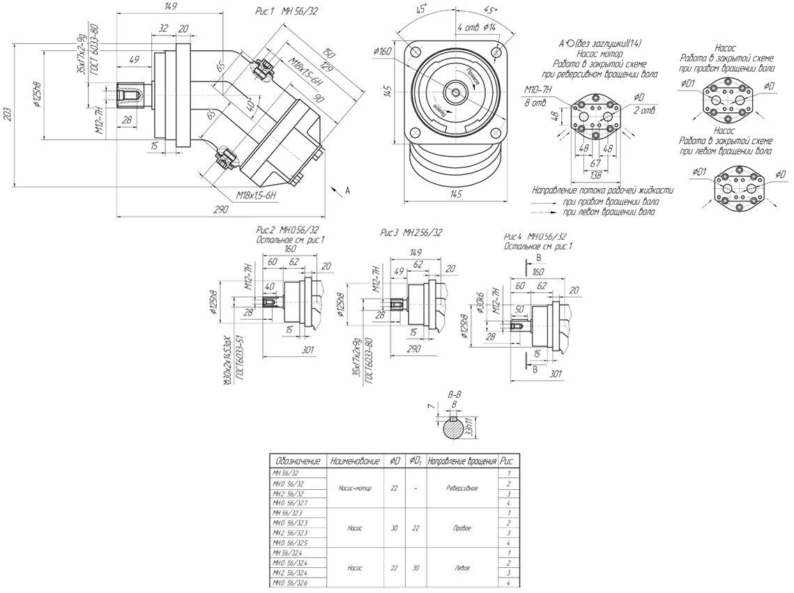
Гидронасос МН.56/32.4 аксиально-поршневой нерегулируемый (аналоги 310.3.56.04, 310.4.56.04, 410.56-11.02)
Гидронасос МН.56/32.4 аксиально-поршневой нерегулируемый (аналоги 310.3.56.04, 310.4.56.04, 410.56-11.02)
| Параметры | насос | мотор |
|---|---|---|
| * — 25 (до 25 МПа) и 10 (32 МПа при длительной работе) | ||
| Рабочий объем, см3 | 56 | |
| Частота вращения, с-1 (об/мин): | ||
| номинальная | 25 (1500) | 33,3 (2000) |
| максимальная | 33,3 (2000) | 58,3 (3500) |
| минимальная | 3,3 (200) | 0,16 (10) |
| Подача, л/мин | 85 | — |
| Расход, л/мин | — | 117,8+3,2 |
| Давление на выходе, МПа: | ||
| номинальное | 32 | — |
| максимальное | 40 | 20 |
| Давление на входе, МПа: | ||
| номинальное | — | 32 |
| максимальное | 1,6 | 40 |
| минимальное для закрытых схем | 0,4 | — |
| минимальное (абсолютное) для открытых схем | 0,08 | — |
| Номинальная мощность, кВт: | ||
| потребляемая, не более | 48,8 | — |
| эффективная, не менее | — | 53,7 |
| Крутящий момент, номин., Н·м | — | 262 |
| Тонкость фильтрации, мкм | * | |
| Масса, кг | 19 | |
- Цена где купить гидронасос МН 56/32 — насос-момтор (реверсивное направление вращения)
- Цена где купить гидронасос МН 56/32.3 — насос (правое направление врашения)
- Цена где купить гидронасос МН 56/32.4 — насос (левое направление вращения)
- Цена где купить гидронасос МН 0.56/32 — насос-мотор ( направление вращения любое, вал шлицы ф30 мм)
- Цена где купить гидронасос МН 0.56/32.1 — насос-мотор (направление вращения любое, вал шпонка 8x7x50 мм)
- Цена где купить гидронасос МН 0.56/32.3 — насос (правое направление вращение, вал шлицы ф30 мм)
- Цена где купить гидронасос МН 0.56/32.4 — насос (левое направление вращение, вал шлицы ф30 мм)
- Цена где купить гидронасос МН 0.56/32.5 — насос (правое направление вращение, вал шпонка 8x7x50 мм)
- Цена где купить гидронасос МН 0.56/32.6 — насос (левое направление вращение, вал шпонка 8x7x50 мм)
- Цена где купить гидронасос МН 2.56/32 — насос-мотор (любое направление вращение, вал шлицы ф35 мм)
- Цена где купить гидронасос МН 2.56/32.3 — насос (правое направление вращение, вал шлицы ф35 мм)
- Цена где купить гидронасос МН 2.56/32.4 — насос (левое направление вращение, вал шлицы ф35 мм)
| Насос-моторы типа МН..56/32 являются аналогами ряда насос-моторов производства ОАО «Пневмостроймашина» г.Екатеринбург, РФ (тип 310..56..) и фирмы «Rexroth», Германия (тип A2F..), а именно: | ||
| Насос-мотор МН..56/32 | «Пневмостроймашина» | «Rexroth» |
| Насос-мотор МН 56/32 | 310.3.56.00 и 310.4.56.00 | Bosch-Rexroth А2FM 56 |
| Насос-мотор МН 56/32.1 | 310.3.56.01 | Bosch-Rexroth A2FO 56 |
| Насос-мотор МН 56/32.3 | 310.3.56.03 и 310.4.56.03 | Bosch-Rexroth A2FO 56 |
| Насос-мотор МН 56/32.4 | 310.3.56.04 и 310.456.04 | Bosch-Rexroth A2FO 56 |
| Насос-мотор МН 0.56/32 | 310.56.00 | Bosch-Rexroth A2FO 56 |
| Насос-мотор МН 0.56/32.3 | 310.56.03 | Bosch-Rexroth A2FO 56 |
| Насос-мотор МН 0.56/32.4 | 310.56.04 | Bosch-Rexroth A2FO 56 |
| Насос-мотор МН 0.56/32.1 | 310.56.01 | Bosch-Rexroth A2FO 56 |
| Насос-мотор МН 0.56/32.5 | 310.56.05 | Bosch-Rexroth A2FO 56 |
| Насос-мотор МН 0.56/32.6 | 310.56.06 | Bosch-Rexroth A2FO 56 |
| Насос-мотор МН 2.56/32 | 310.2.56.00 | Bosch-Rexroth A2FO 56 |
| Насос-мотор МН 2.56/32.3 | 310.2.56.03 | Bosch-Rexroth A2FO 56 |
| Насос-мотор МН 2.56/32.4 | 310.2.56.04 | Bosch-Rexroth A2FO 56 |
| Насос-мотор МН 2.56/32.1 | 310.2.56.01 | Bosch-Rexroth A2FO 56 |
| Насос-мотор МН 2.56/32.6 | 310.2.56.06 | Bosch-Rexroth A2FO 56 |
Приминение гидронасоса МН.56/32.4 на технике
| Автокраны | |||
| ОАО «Галичский автокрановый завод» | ОАО «Автокран» | ОАО «Дрогобычский автокрановый завод» | |
| Применяемая гидромашина — Гидронасос 310.3.56.04.06 или аналог МН.56/32.4 | |||
| Обозначение техники: | |||
| КС-55729 КС-55729-2 КС-55713-3 КС-55713-6 | КС-55717А | КС-4574А | |
| Погрузчики | |||
| ОАО «Амкодор» | ЗАО «Челябинские строительно-дорожные машины» | ОАО «Челябинский тракторный завод» | ОАО «Орел-Погрузчик» |
| Применяемая гидромашина — Гидронасос 310.3.56.04.06 или аналог МН.56/32.4 | |||
| Обозначение техники: | |||
| А-332А А-332В А-352 Амкодор-333.2 ТО-18Б.2 Амкодор-333.3 ТО-18Б.3 Амкодор-342А ТО-28А | В-160 ПК-40 | ПК-46 | ПК-33 ПК-40 |
| Манипуляторы | |||
| ООО «Велмаш-С» | ФГУП «ПО Златоустовскии машиностроительный завод» | ОАО «Соломбальский машиностроительный завод» | |
| Применяемая гидромашина — Гидронасос 310.3.56.04.06 или аналог МН.56/32.4 | |||
| Обозначение техники: | |||
| ОМТЛ-70 ОМТЛ-70-01 ОМТЛ-70-02 ОМТЛ-70-03 МПР-1 МПР-2 МПР-3 | Крано-манипуляторная установка «Синегорец-75» | СФ-65 СФ-62 СФ-75 СФ-140 | |
| Лесные машины | |||
| ЗАО «Лесмаш» | |||
| Применяемая гидромашина — Гидронасос 310.3.56.04.06 или аналог МН.56/32.4 | |||
| Обозначение техники: | |||
| ЛП-ЗЗА ЛП-ЗЗБ | |||
| Буровое оборудование | |||
| ОАО «Геомаш» | |||
| Применяемая гидромашина — Гидронасос 310.3.56.04.06 или аналог МН.56/32.4 | |||
| Обозначение техники: | |||
| ПБУ-2 ЛБУ-50 | |||
| Железнодорожная техника | |||
| ОАО «Кировский машиностроительный завод им. 1-го мая» | ОАО «Калугапутьмаш» | ||
| Применяемая гидромашина — Гидронасос 310.3.56.04.06 или аналог МН.56/32.4 | |||
| Обозначение техники: | |||
| ВПРС-02 ВПРС-03 ВПРС-П | ПБ-01 ВПРС-10 | ||
| Коммунальные машины | |||
| ОАО «Мценский завод «Коммаш» | |||
| Применяемая гидромашина — Гидронасос 310.3.56.04.06 или аналог МН.56/32.4 | |||
| Обозначение техники: | |||
| Машины комбинированные универсальные КО-806 Мусоровозы серии КО-427 | |||
| Бульдозеры | |||
| ЗАО «Челябинские строительно-дорожные машины» | |||
| Применяемая гидромашина — Гидронасос 310.3.56.04.06 или аналог МН.56/32.4 | |||
| Обозначение техники: | |||
| Бульдозер ТС-10 | |||








